标准规范
CJT157-2017家用燃气灶具用涂层钢化玻璃面板
📖
规范简介:《CJT157-2017家用燃气灶具用涂层钢化玻璃面板》最新高清无水印 PDF 电子版。本规范/图集为工程建设领域的重要参考标准,经过【大猫工厂】全自动净化处理,去除了影响阅读的广告,页面极其清爽,对工程质量把控、施工工艺标准化具有极高的指导价值。
📄 规范内页真实预览 (纯净版)
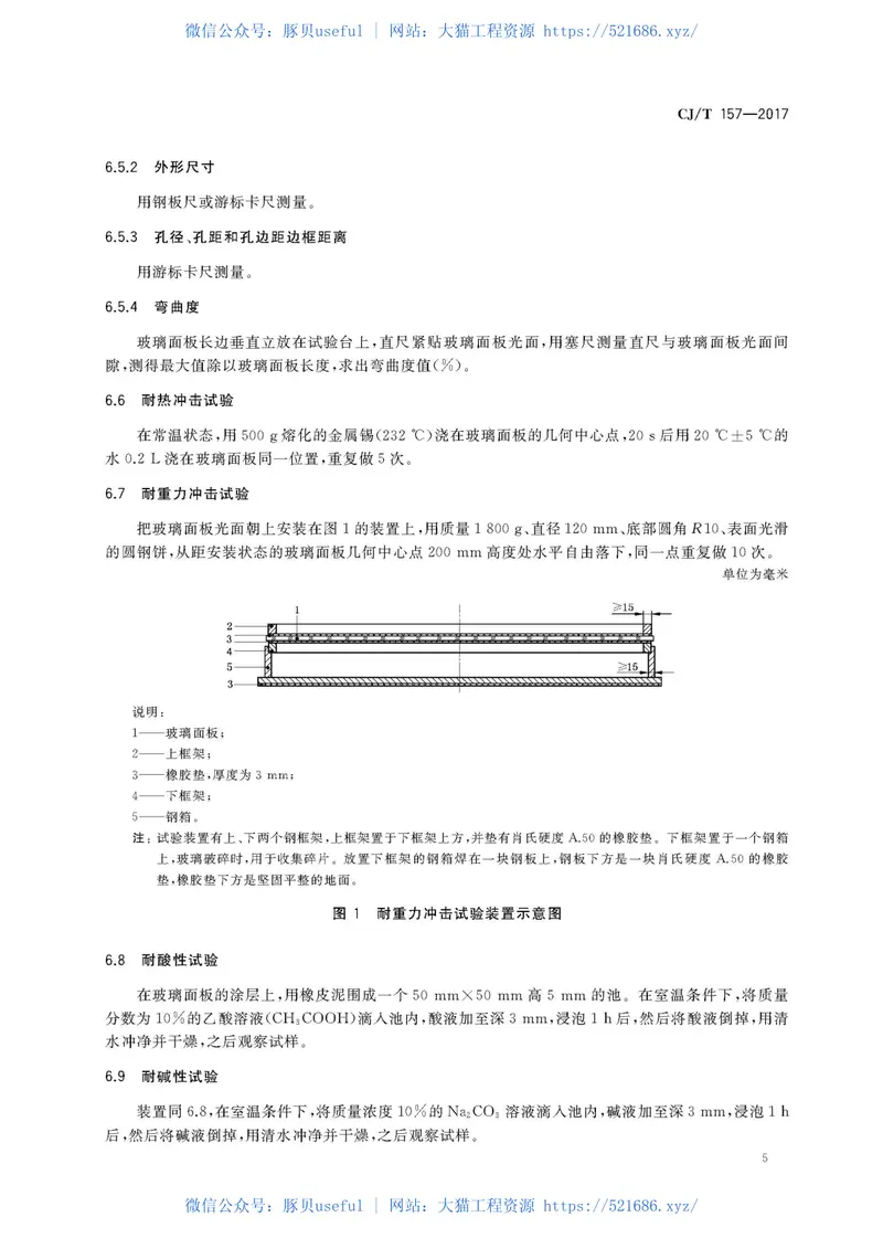
(系统自动从经过净化的 PDF 随机抽取 3 页进行展示,放心下载使用)



