【标准规范】CJT381-2011无负压一体化智能给水设备

标准规范

CJT381-2011无负压一体化智能给水设备

📖
规范简介:《CJT381-2011无负压一体化智能给水设备》最新高清无水印 PDF 电子版。本规范/图集为工程建设领域的重要参考标准,经过【大猫工厂】全自动净化处理,去除了影响阅读的广告,页面极其清爽,对工程质量把控、施工工艺标准化具有极高的指导价值。

文件格式:纯净高清 PDF 版
规范类别:施工规范
分拣类目:其它规范规程
安全评级:已杀毒,全网最纯净版

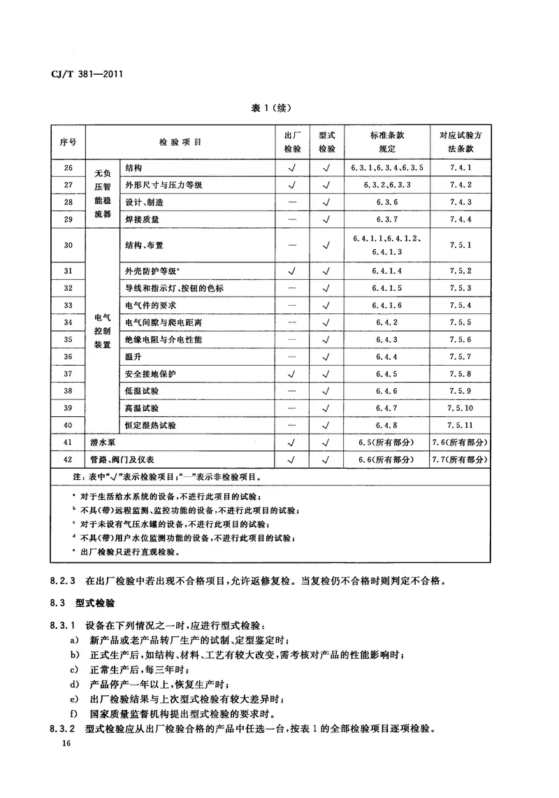
📄 规范内页真实预览 (纯净版)

(系统自动从经过净化的 PDF 随机抽取 3 页进行展示,放心下载使用)

CJT381-2011无负压一体化智能给水设备 预览图
CJT381-2011无负压一体化智能给水设备 预览图
CJT381-2011无负压一体化智能给水设备 预览图

🔒
解压密码已隐藏

⚠️ 声明:本站资料仅供工程技术交流,严禁商用。

×
扫码关注大猫

扫码关注“豚贝useful”公众号

发送关键词 解压码 获取密码

发表评论

您的邮箱地址不会被公开。 必填项已用 * 标注

滚动至顶部