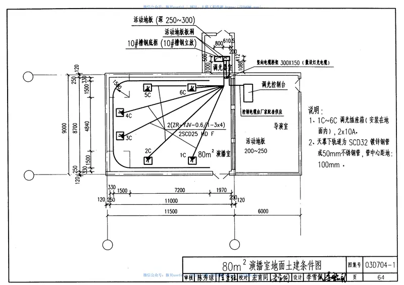
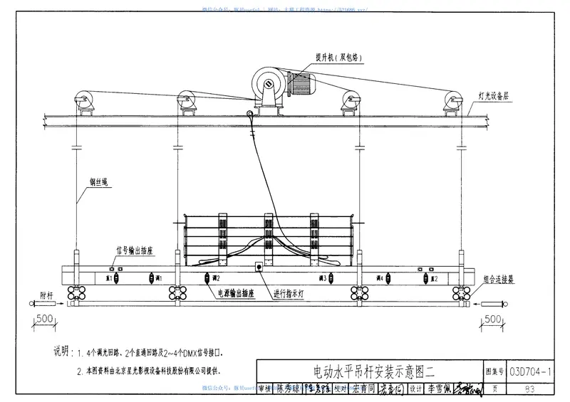
标准规范 03D704-1小演播室及多功能厅灯光设计 📖 规范简介:《03D704-1小演播室及多功能厅灯光设计》最新高清无水印 PDF 电子版。本规范/图集为工程建设领域的重要参考标准,经过【大猫工厂】全自动净化处理,去除了影响阅读的广告,页面极其清爽,对工程质量把控、施工工艺标准化具有极高的指导价值。 文件格式纯净高清 PDF 版 规范类别施工规范 分拣类目其它规范规程 安全评级大猫严选·已脱敏杀毒 📄 规范内页真实预览 (纯净版) (系统自动从经过净化的 PDF 随机抽取 3 页进行展示,放心下载使用) 🔒 点击扫码获取规范解压码 关注微信公众号 豚贝useful发送关键词 解压码 即可自动获取 🚀 115网盘 高速下载 ☁️ 百度网盘 备用下载 相关文章 【标准规范】03G322-4钢筋混凝土过梁 标准规范 【标准规范】JTS239-2015水运工程混凝土结构实体检测技术规程 标准规范 【标准规范】16G108-7《高层民用建筑钢结构技术规程》图示 标准规范 【标准规范】TBT3159-2007电气化铁路牵引变压器技术条件 标准规范 发表评论 取消回复您的邮箱地址不会被公开。 必填项已用 * 标注在此输入... Name* 电子邮箱* 网站 在此浏览器中保存我的显示名称、邮箱地址和网站地址,以便下次评论时使用。
标准规范 03D704-1小演播室及多功能厅灯光设计 📖 规范简介:《03D704-1小演播室及多功能厅灯光设计》最新高清无水印 PDF 电子版。本规范/图集为工程建设领域的重要参考标准,经过【大猫工厂】全自动净化处理,去除了影响阅读的广告,页面极其清爽,对工程质量把控、施工工艺标准化具有极高的指导价值。 文件格式纯净高清 PDF 版 规范类别施工规范 分拣类目其它规范规程 安全评级大猫严选·已脱敏杀毒 📄 规范内页真实预览 (纯净版) (系统自动从经过净化的 PDF 随机抽取 3 页进行展示,放心下载使用) 🔒 点击扫码获取规范解压码 关注微信公众号 豚贝useful发送关键词 解压码 即可自动获取 🚀 115网盘 高速下载 ☁️ 百度网盘 备用下载