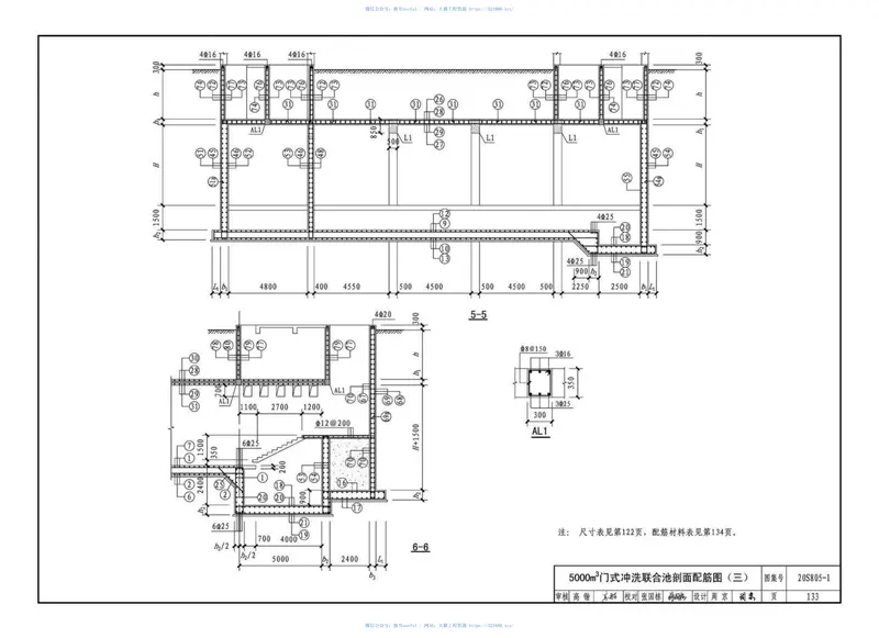
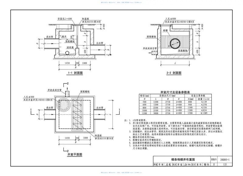
标准规范 20S805-1_雨水调蓄设施_钢筋混凝土雨水调蓄池 📖 规范简介:《20S805-1_雨水调蓄设施_钢筋混凝土雨水调蓄池》最新高清无水印 PDF 电子版。本规范/图集为工程建设领域的重要参考标准,经过【大猫工厂】全自动净化处理,去除了影响阅读的广告,页面极其清爽,对工程质量把控、施工工艺标准化具有极高的指导价值。 文件格式纯净高清 PDF 版 规范类别施工规范 分拣类目其它规范规程 安全评级大猫严选·已脱敏杀毒 📄 规范内页真实预览 (纯净版) (系统自动从经过净化的 PDF 随机抽取 3 页进行展示,放心下载使用) 🔒 点击扫码获取规范解压码 关注微信公众号 豚贝useful发送关键词 解压码 即可自动获取 🚀 115网盘 高速下载 ☁️ 百度网盘 备用下载 相关文章 【标准规范】TBT3203-2008列车调度指挥系统、调度集中系统组网技术条件 标准规范 【标准规范】TBT2809-2005电气化铁道用铜及铜合金接触线 标准规范 【标准规范】DLT1432.3-2016变电设备在线监测装置检验规范第3部分:电容型设备及金属氧化物避雷器绝缘在线监测装置 标准规范 【标准规范】DLT886-2012750kV电力系统继电保护技术导则 标准规范 发表评论 取消回复您的邮箱地址不会被公开。 必填项已用 * 标注在此输入... Name* 电子邮箱* 网站 在此浏览器中保存我的显示名称、邮箱地址和网站地址,以便下次评论时使用。
标准规范 20S805-1_雨水调蓄设施_钢筋混凝土雨水调蓄池 📖 规范简介:《20S805-1_雨水调蓄设施_钢筋混凝土雨水调蓄池》最新高清无水印 PDF 电子版。本规范/图集为工程建设领域的重要参考标准,经过【大猫工厂】全自动净化处理,去除了影响阅读的广告,页面极其清爽,对工程质量把控、施工工艺标准化具有极高的指导价值。 文件格式纯净高清 PDF 版 规范类别施工规范 分拣类目其它规范规程 安全评级大猫严选·已脱敏杀毒 📄 规范内页真实预览 (纯净版) (系统自动从经过净化的 PDF 随机抽取 3 页进行展示,放心下载使用) 🔒 点击扫码获取规范解压码 关注微信公众号 豚贝useful发送关键词 解压码 即可自动获取 🚀 115网盘 高速下载 ☁️ 百度网盘 备用下载