【标准规范】CJT253-2007钢塑复合压力管用管件

标准规范 CJT253-2007钢塑复合压力管用管件 📖 规范简介:《CJT253-2007钢塑复合压力管用管 […]

标准规范

CJT253-2007钢塑复合压力管用管件

📖
规范简介:《CJT253-2007钢塑复合压力管用管件》最新高清无水印 PDF 电子版。本规范/图集为工程建设领域的重要参考标准,经过【大猫工厂】全自动净化处理,去除了影响阅读的广告,页面极其清爽,对工程质量把控、施工工艺标准化具有极高的指导价值。

文件格式:纯净高清 PDF 版
规范类别:施工规范
分拣类目:其它规范规程
安全评级:已杀毒,全网最纯净版

📄 规范内页真实预览 (纯净版)

(系统自动从经过净化的 PDF 随机抽取 3 页进行展示,放心下载使用)

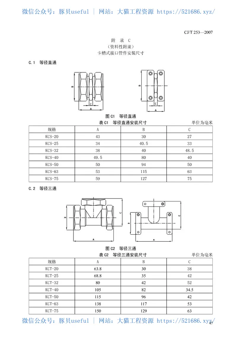
CJT253-2007钢塑复合压力管用管件 预览图
CJT253-2007钢塑复合压力管用管件 预览图
CJT253-2007钢塑复合压力管用管件 预览图

🔒
解压密码已隐藏

🔒

该资源仅限注册会员下载

为了资源长久分享,请登录后查看下载链接


⚠️ 声明:本站资料仅供工程技术交流,严禁商用。

×
扫码关注大猫

扫码关注“豚贝useful”公众号

发送关键词 解压码 获取密码

发表评论

滚动至顶部