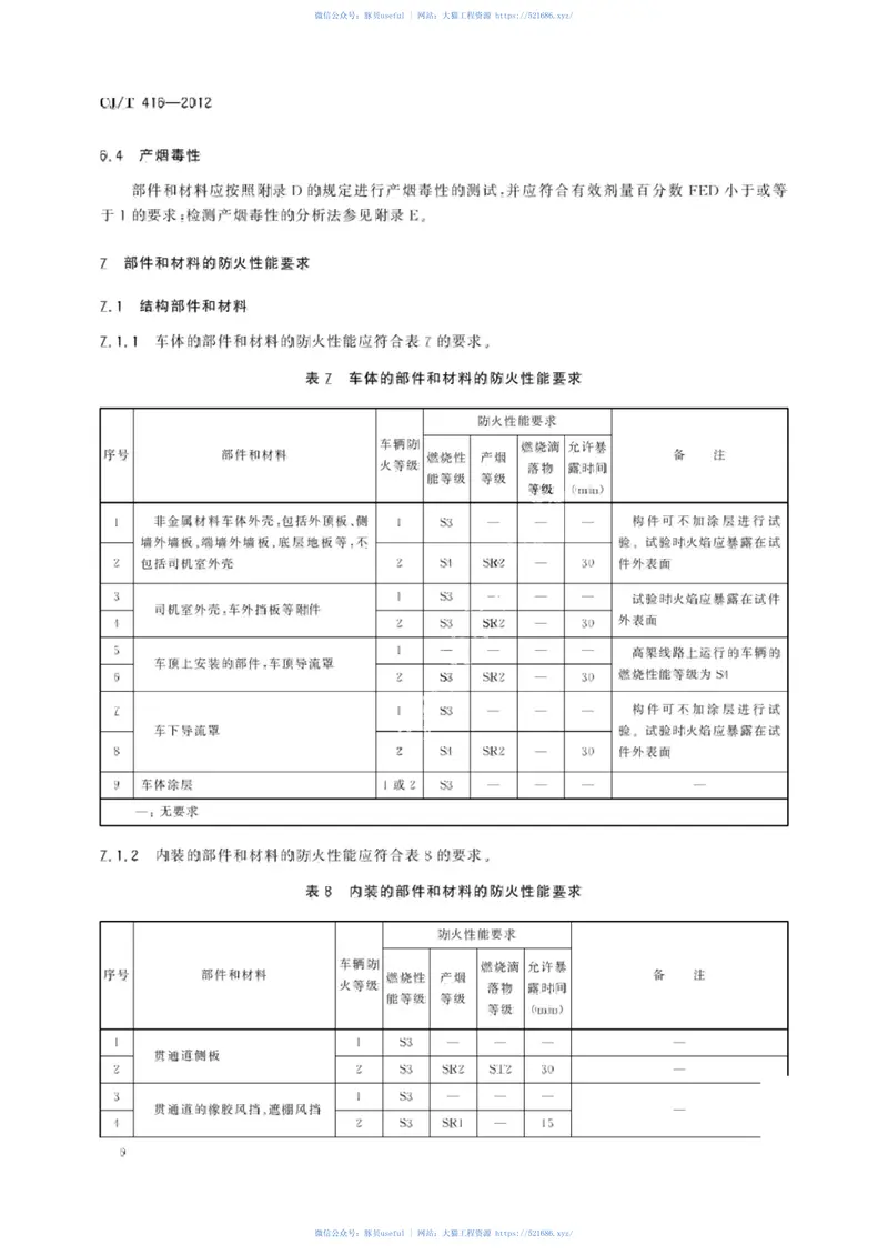
标准规范 CJT416-2012城市轨道交通车辆防火要求 📖 规范简介:《CJT416-2012城市轨道交通车辆防火要求》最新高清无水印 PDF 电子版。本规范/图集为工程建设领域的重要参考标准,经过【大猫工厂】全自动净化处理,去除了影响阅读的广告,页面极其清爽,对工程质量把控、施工工艺标准化具有极高的指导价值。 文件格式:纯净高清 PDF 版 规范类别:施工规范 分拣类目:其它规范规程 安全评级:已杀毒,全网最纯净版 📄 规范内页真实预览 (纯净版) (系统自动从经过净化的 PDF 随机抽取 3 页进行展示,放心下载使用) 🔒 解压密码已隐藏 扫码获取规范解压码 🔒 该资源仅限注册会员下载 为了资源长久分享,请登录后查看下载链接 立即登录 免费注册 ⚠️ 声明:本站资料仅供工程技术交流,严禁商用。 × 扫码关注“豚贝useful”公众号 发送关键词 解压码 获取密码 相关文章 【标准规范】J12Z601典型路面结构及道路工程细部构造 标准规范 【标准规范】GBT36400-2018建筑用装饰玻璃术语 标准规范 【标准规范】GB51220-2017生活垃圾卫生填埋场封场技术规范 标准规范 【标准规范】JCT630-2008石棉水泥管用橡胶圈 标准规范 发表评论 取消回复要发表评论,您必须先登录。