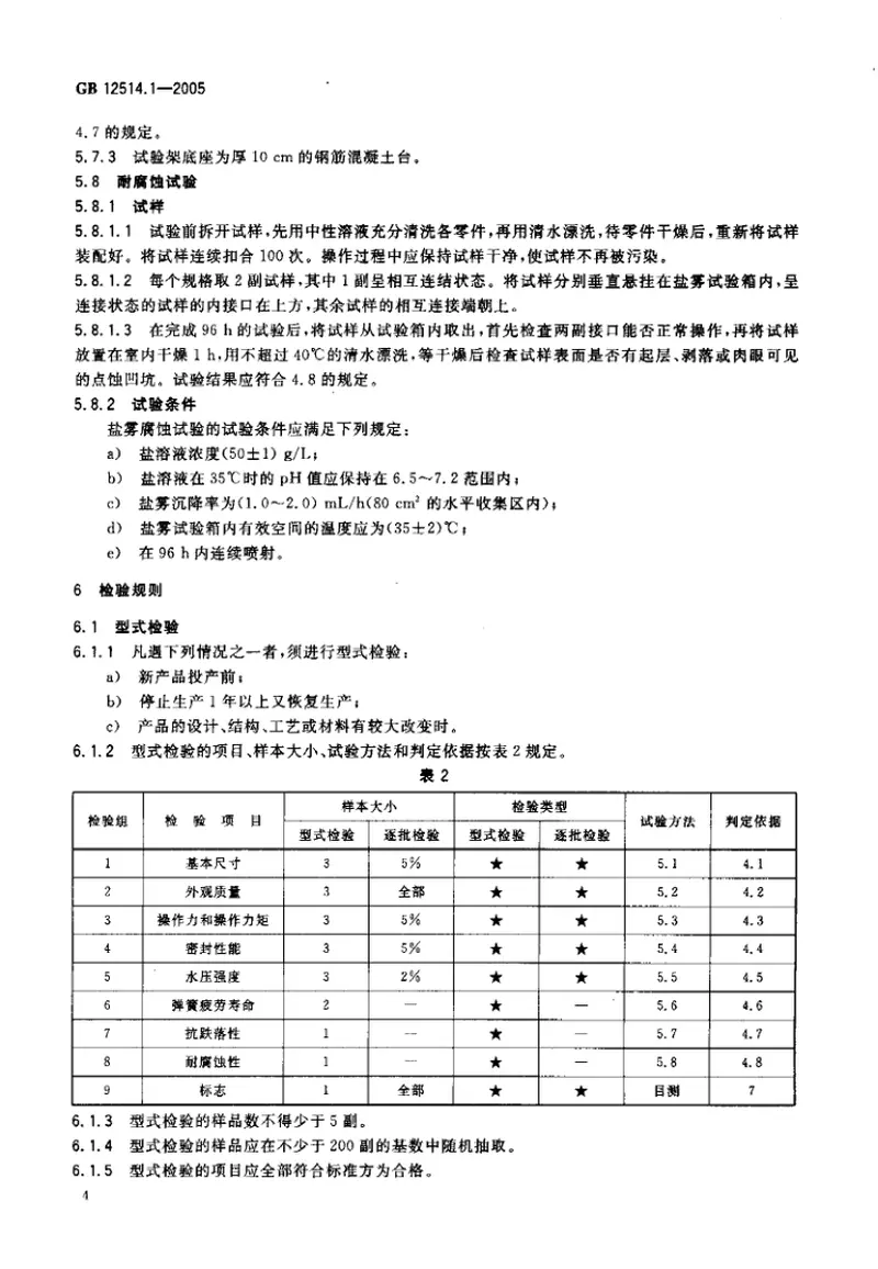
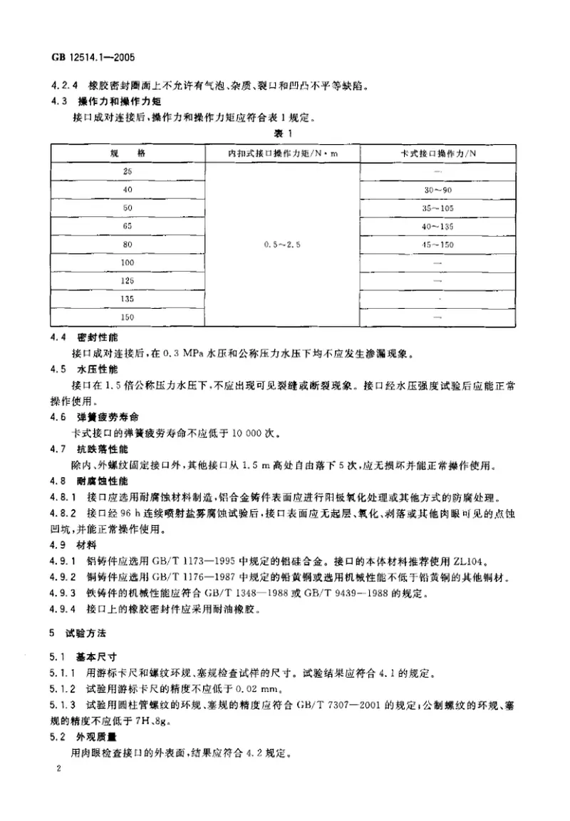
标准规范 GB12514.1-2005消防接口第1部分消防接口通用技术条件 📖 规范简介:《GB12514.1-2005消防接口第1部分消防接口通用技术条件》最新高清无水印 PDF 电子版。本规范/图集为工程建设领域的重要参考标准,经过【大猫工厂】全自动净化处理,去除了影响阅读的广告,页面极其清爽,对工程质量把控、施工工艺标准化具有极高的指导价值。 文件格式纯净高清 PDF 版 规范类别国家标准 分拣类目国标规范大全 安全评级大猫严选·已脱敏杀毒 📄 规范内页真实预览 (纯净版) (系统自动从经过净化的 PDF 随机抽取 3 页进行展示,放心下载使用) 🔒 点击扫码获取规范解压码 关注微信公众号 豚贝useful发送关键词 解压码 即可自动获取 🚀 115网盘 高速下载 ☁️ 百度网盘 备用下载 相关文章 【标准规范】CECS459-2016城市道路开挖及快速回填技术规程 标准规范 【标准规范】JGT314-2012聚氨酯硬泡复合保温板 标准规范 【标准规范】DLT903-2015磨煤机耐磨件堆焊技术导则 标准规范 【标准规范】TBT3112-2005铁路站内轨道电路电码化设备 标准规范 发表评论 取消回复您的邮箱地址不会被公开。 必填项已用 * 标注在此输入... Name* 电子邮箱* 网站 在此浏览器中保存我的显示名称、邮箱地址和网站地址,以便下次评论时使用。
标准规范 GB12514.1-2005消防接口第1部分消防接口通用技术条件 📖 规范简介:《GB12514.1-2005消防接口第1部分消防接口通用技术条件》最新高清无水印 PDF 电子版。本规范/图集为工程建设领域的重要参考标准,经过【大猫工厂】全自动净化处理,去除了影响阅读的广告,页面极其清爽,对工程质量把控、施工工艺标准化具有极高的指导价值。 文件格式纯净高清 PDF 版 规范类别国家标准 分拣类目国标规范大全 安全评级大猫严选·已脱敏杀毒 📄 规范内页真实预览 (纯净版) (系统自动从经过净化的 PDF 随机抽取 3 页进行展示,放心下载使用) 🔒 点击扫码获取规范解压码 关注微信公众号 豚贝useful发送关键词 解压码 即可自动获取 🚀 115网盘 高速下载 ☁️ 百度网盘 备用下载