【标准规范】GB50661-2011钢结构焊接规范

标准规范 GB50661-2011钢结构焊接规范 📖 规范简介:《GB50661-2011钢结构焊接规范》最新 […]

标准规范

GB50661-2011钢结构焊接规范

📖
规范简介:《GB50661-2011钢结构焊接规范》最新高清无水印 PDF 电子版。本规范/图集为工程建设领域的重要参考标准,经过【大猫工厂】全自动净化处理,去除了影响阅读的广告,页面极其清爽,对工程质量把控、施工工艺标准化具有极高的指导价值。

文件格式:纯净高清 PDF 版
规范类别:国家标准
分拣类目:国标规范大全
安全评级:已杀毒,全网最纯净版

📄 规范内页真实预览 (纯净版)

(系统自动从经过净化的 PDF 随机抽取 3 页进行展示,放心下载使用)

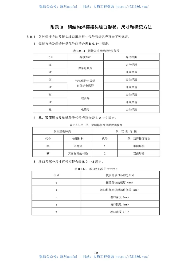
GB50661-2011钢结构焊接规范 预览图
GB50661-2011钢结构焊接规范 预览图
GB50661-2011钢结构焊接规范 预览图

🔒
解压密码已隐藏

🔒

该资源仅限注册会员下载

为了资源长久分享,请登录后查看下载链接


⚠️ 声明:本站资料仅供工程技术交流,严禁商用。

×
扫码关注大猫

扫码关注“豚贝useful”公众号

发送关键词 解压码 获取密码

发表评论

滚动至顶部