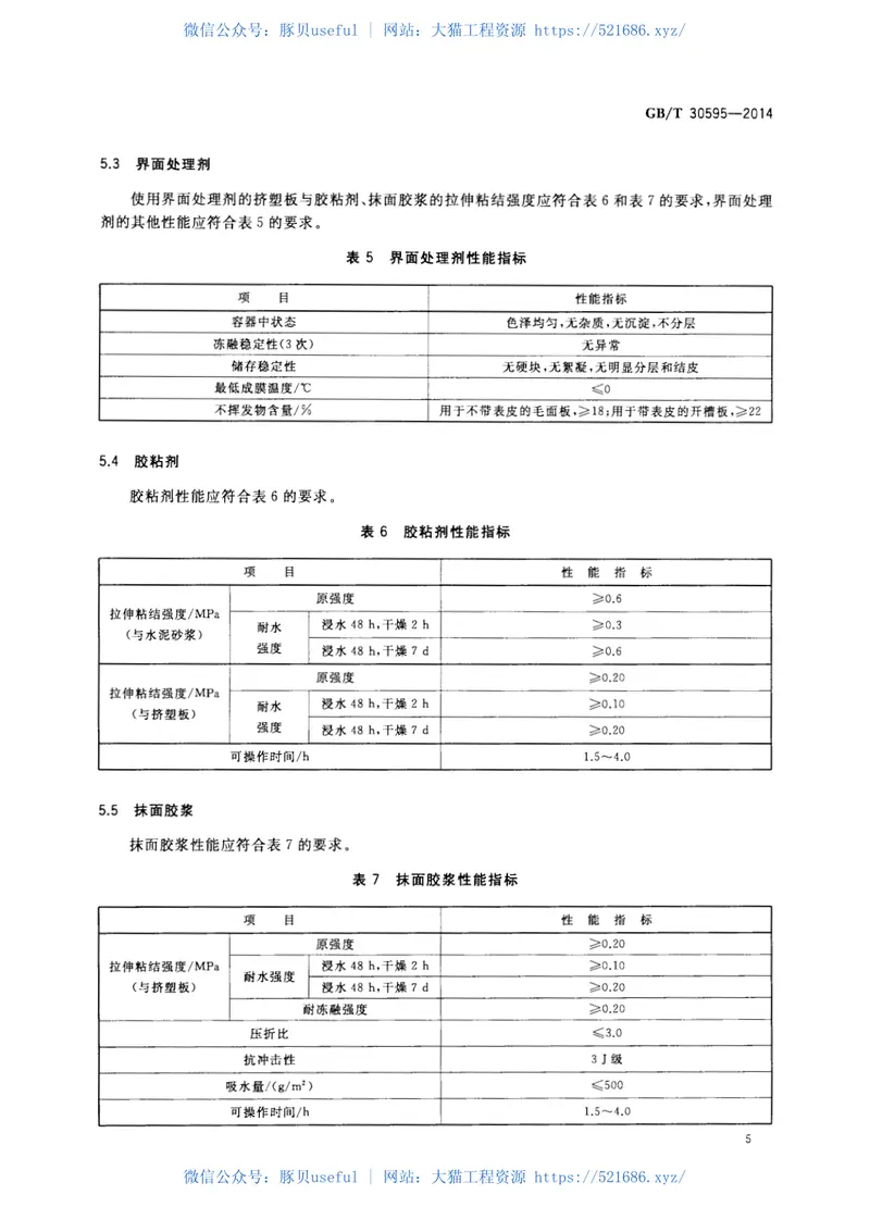
标准规范 GBT30595-2014挤塑聚苯板(XPS)薄抹灰外墙外保温系统材料 📖 规范简介:《GBT30595-2014挤塑聚苯板(XPS)薄抹灰外墙外保温系统材料》最新高清无水印 PDF 电子版。本规范/图集为工程建设领域的重要参考标准,经过【大猫工厂】全自动净化处理,去除了影响阅读的广告,页面极其清爽,对工程质量把控、施工工艺标准化具有极高的指导价值。 文件格式纯净高清 PDF 版 规范类别施工规范 分拣类目其它规范规程 安全评级大猫严选·已脱敏杀毒 📄 规范内页真实预览 (纯净版) (系统自动从经过净化的 PDF 随机抽取 3 页进行展示,放心下载使用) 🔒 点击扫码获取规范解压码 关注微信公众号 豚贝useful发送关键词 解压码 即可自动获取 🔒 该资源仅限注册会员下载 为了资源长久分享,请登录后查看下载链接 立即登录 免费注册 相关文章 【标准规范】DB21T1779-2009混凝土结构砌体填充墙技术规程 标准规范 【标准规范】16G101-1混凝土结构施工图 标准规范 【标准规范】CJJT8-2011城市测量规范 标准规范 【标准规范】DLT1106-2009煤粉燃烧结渣特性和燃尽率一维火焰炉测试方法 标准规范 发表评论 取消回复要发表评论,您必须先登录。
标准规范 GBT30595-2014挤塑聚苯板(XPS)薄抹灰外墙外保温系统材料 📖 规范简介:《GBT30595-2014挤塑聚苯板(XPS)薄抹灰外墙外保温系统材料》最新高清无水印 PDF 电子版。本规范/图集为工程建设领域的重要参考标准,经过【大猫工厂】全自动净化处理,去除了影响阅读的广告,页面极其清爽,对工程质量把控、施工工艺标准化具有极高的指导价值。 文件格式纯净高清 PDF 版 规范类别施工规范 分拣类目其它规范规程 安全评级大猫严选·已脱敏杀毒 📄 规范内页真实预览 (纯净版) (系统自动从经过净化的 PDF 随机抽取 3 页进行展示,放心下载使用) 🔒 点击扫码获取规范解压码 关注微信公众号 豚贝useful发送关键词 解压码 即可自动获取 🔒 该资源仅限注册会员下载 为了资源长久分享,请登录后查看下载链接 立即登录 免费注册