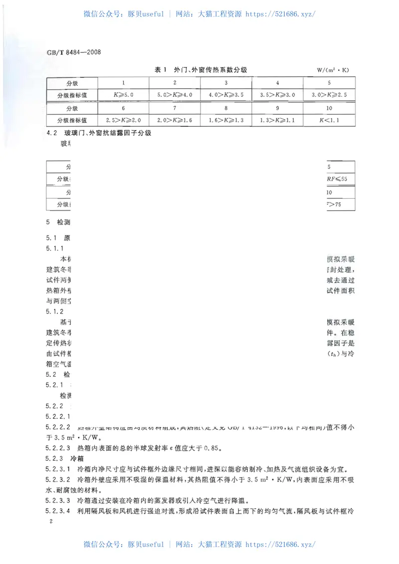
标准规范 GBT8484-2008建筑外门窗保温性能分级及检测方法 📖 规范简介:《GBT8484-2008建筑外门窗保温性能分级及检测方法》最新高清无水印 PDF 电子版。本规范/图集为工程建设领域的重要参考标准,经过【大猫工厂】全自动净化处理,去除了影响阅读的广告,页面极其清爽,对工程质量把控、施工工艺标准化具有极高的指导价值。 文件格式纯净高清 PDF 版 规范类别施工规范 分拣类目其它规范规程 安全评级大猫严选·已脱敏杀毒 📄 规范内页真实预览 (纯净版) (系统自动从经过净化的 PDF 随机抽取 3 页进行展示,放心下载使用) 🔒 点击扫码获取规范解压码 关注微信公众号 豚贝useful发送关键词 解压码 即可自动获取 🔒 该资源仅限注册会员下载 为了资源长久分享,请登录后查看下载链接 立即登录 免费注册 相关文章 【标准规范】苏S11-2015排水用塑料检查井 标准规范 【标准规范】GBT51087-2015船厂既有水工构筑物结构改造和加固设计规范 标准规范 【标准规范】DB22T_5039-2020_预拌混凝土_砂浆_及沥青混凝土企业试验室配置标准 标准规范 【标准规范】TCECS465-2017既有建筑绿色改造技术规程 标准规范 发表评论 取消回复要发表评论,您必须先登录。
标准规范 GBT8484-2008建筑外门窗保温性能分级及检测方法 📖 规范简介:《GBT8484-2008建筑外门窗保温性能分级及检测方法》最新高清无水印 PDF 电子版。本规范/图集为工程建设领域的重要参考标准,经过【大猫工厂】全自动净化处理,去除了影响阅读的广告,页面极其清爽,对工程质量把控、施工工艺标准化具有极高的指导价值。 文件格式纯净高清 PDF 版 规范类别施工规范 分拣类目其它规范规程 安全评级大猫严选·已脱敏杀毒 📄 规范内页真实预览 (纯净版) (系统自动从经过净化的 PDF 随机抽取 3 页进行展示,放心下载使用) 🔒 点击扫码获取规范解压码 关注微信公众号 豚贝useful发送关键词 解压码 即可自动获取 🔒 该资源仅限注册会员下载 为了资源长久分享,请登录后查看下载链接 立即登录 免费注册