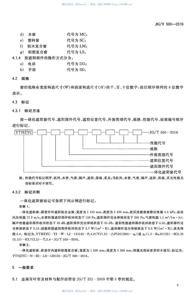
标准规范 JGT500-2016建筑一体化遮阳窗 📖 规范简介:《JGT500-2016建筑一体化遮阳窗》最新高清无水印 PDF 电子版。本规范/图集为工程建设领域的重要参考标准,经过【大猫工厂】全自动净化处理,去除了影响阅读的广告,页面极其清爽,对工程质量把控、施工工艺标准化具有极高的指导价值。 文件格式纯净高清 PDF 版 规范类别行业标准 分拣类目行业标准规范 安全评级大猫严选·已脱敏杀毒 📄 规范内页真实预览 (纯净版) (系统自动从经过净化的 PDF 随机抽取 3 页进行展示,放心下载使用) 🔒 点击扫码获取规范解压码 关注微信公众号 豚贝useful发送关键词 解压码 即可自动获取 🔒 该资源仅限注册会员下载 为了资源长久分享,请登录后查看下载链接 立即登录 免费注册 相关文章 【标准规范】JCT2353-2016塑料卫生洁具安全生产规范 标准规范 【标准规范】TBT1631-2002钢轨电弧焊补技术条件 标准规范 【标准规范】06MS201-5预制装配式钢筋混凝土排水检查井 标准规范 【标准规范】GB25779-2010承重混凝土多孔砖 标准规范 发表评论 取消回复要发表评论,您必须先登录。
标准规范 JGT500-2016建筑一体化遮阳窗 📖 规范简介:《JGT500-2016建筑一体化遮阳窗》最新高清无水印 PDF 电子版。本规范/图集为工程建设领域的重要参考标准,经过【大猫工厂】全自动净化处理,去除了影响阅读的广告,页面极其清爽,对工程质量把控、施工工艺标准化具有极高的指导价值。 文件格式纯净高清 PDF 版 规范类别行业标准 分拣类目行业标准规范 安全评级大猫严选·已脱敏杀毒 📄 规范内页真实预览 (纯净版) (系统自动从经过净化的 PDF 随机抽取 3 页进行展示,放心下载使用) 🔒 点击扫码获取规范解压码 关注微信公众号 豚贝useful发送关键词 解压码 即可自动获取 🔒 该资源仅限注册会员下载 为了资源长久分享,请登录后查看下载链接 立即登录 免费注册