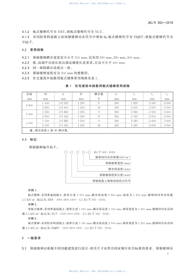
标准规范 JGT562-2018预制混凝土楼梯 📖 规范简介:《JGT562-2018预制混凝土楼梯》最新高清无水印 PDF 电子版。本规范/图集为工程建设领域的重要参考标准,经过【大猫工厂】全自动净化处理,去除了影响阅读的广告,页面极其清爽,对工程质量把控、施工工艺标准化具有极高的指导价值。 文件格式:纯净高清 PDF 版 规范类别:行业标准 分拣类目:行业标准规范 安全评级:已杀毒,全网最纯净版 📄 规范内页真实预览 (纯净版) (系统自动从经过净化的 PDF 随机抽取 3 页进行展示,放心下载使用) 🔒 解压密码已隐藏 扫码获取规范解压码 🔒 该资源仅限注册会员下载 为了资源长久分享,请登录后查看下载链接 立即登录 免费注册 ⚠️ 声明:本站资料仅供工程技术交流,严禁商用。 × 扫码关注“豚贝useful”公众号 发送关键词 解压码 获取密码 相关文章 【标准规范】05J13 标准规范 【标准规范】JGJ38-2015图书馆建筑设计规范 标准规范 【标准规范】14DX010地铁电气工程设计与施工 标准规范 【标准规范】JGT391-2012通风器 标准规范 发表评论 取消回复要发表评论,您必须先登录。